航空部品
航空・宇宙産業の軽量化ニーズに応える薄肉加工技術
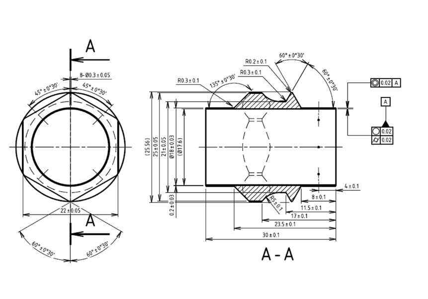
当社は独自の円筒旋削加工技術を持ち、
薄肉円筒を有する複合形状製品に対応できます。
一例として次の製品をご紹介いたします。


厚み、たったの0.2mmの薄肉円筒に
製品の加工変形無く、直径0.3mmの穴加工が施されています。
ーーーーーーーーーーーーーーーーーーーーーーーーーー
【薄肉円筒加工範囲】
内径:Φ6〜Φ100以下
外径:Φ6〜Φ100以下
【対応可能材質】
インコネル、ステンレス、チタン、炭素鋼、合金鋼
ーーーーーーーーーーーーーーーーーーーーーーーーーー
難易度の高い、複雑形状の部品加工にお困りのお客様、
高品質な製品の安定供給をお求めのお客様、
是非一度タナカエンジニアリングまでお問い合わせください!